KTC拉桿系列直線傳感器
通用KTC拉桿系列直線位移傳感器用于對位移或者長度進行精確測量。測量行程75mm~1250mm,兩端均有4mm返沖行程,線性精度0.15%~0.04%FS,重復精度0.01mm。傳感器的結構設計保證安裝方便,牢固可靠。外殼進行了陽極處理,外觀靚麗,抗腐蝕,內置導電塑料測量單元,無溫漂,壽命長,保證運行順滑。密封防護等級IP65,DIN43650鍍銀插座,適用范圍廣信號傳輸更穩定,拉桿球具有0.5mm自動對中功能,輸出穩定,一致性好。允許極限運動為10m/s。產品采用國外進口的專用線性修刻系統,電阻修刻技術不僅可以滿足您的線性度要求,而且可以根據客戶的要求修刻電阻值的大小。
電刷架結構均采用彈性補償結構,運行穩定可靠,延長使用壽命。
KTC拉桿系列直線傳感器特性:
1.使用壽命長,運行次數可達50X106次
2.線性優異
3.分辨率高于0.01mm
4.高運行速度
5.DIN43650標準插頭和插座
6.防護等級IP65
7.可配置電壓電流(2線、3線)模塊
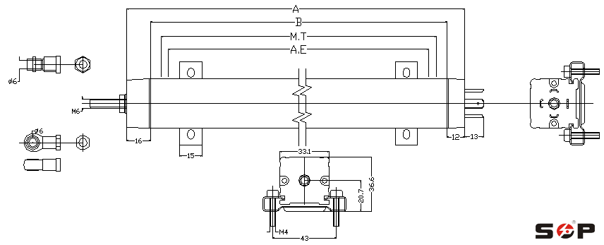
KTC拉桿系列直線傳感器安裝尺寸圖

KTC拉桿系列直線傳感器參數

