升鴻風機EHS-6346 4kw風機
升鴻高壓風機功能特點
· 雙段式結構
· NSK & TPI培林
· 採用鋁合金材質,特殊葉片設計,體積小,低噪音,微震動,輕量化
· 馬達銅線採用高品質銅線,絕緣等級達到F級(耐溫180℃)
· 產品適用于萬國電壓。性能穩定,省電節能
· 吸吐兩用,離心式設計,高壓大風量
· 無油煙設計
· 結構緊湊,壽命長,操作容易
· 樣式種類齊全,庫存多,交貨迅速
升鴻高壓風機用途
· 印刷機械 · 環境機械 · 乾燥機
· 燃燒機 · 熱風發生機 · 焚化爐
· 廚房機械 · 紡織機械 · 木工機械
· 塑膠押出機、吹袋機、淋膜機 · 機械冷卻
· 食品飲料加工機械 · 粉粒體輸送
· 恒溫箱 · 一般送風
升鴻風機EHS-6346詳細參數:
型號 |
頻率 HZ |
額定 功率 KW |
輸出電壓 V |
額定電流 A |
最大排吸 氣量m³/min |
額定吸 入壓力mbar |
額定排 氣壓力mbar |
噪音 dB(A) |
重量 kg |
EHS-6346 | 50 | 4.0 |
200-240 345-415 |
13.9 8.0 |
5.2 | 360 | 380 | 75 | 55 |
60 | 4.6 |
220-240 380-480 |
15.4 8.9 |
6.2 | 380 | 350 | 79 |
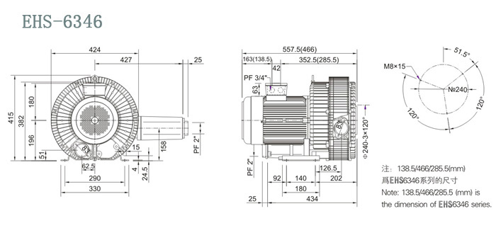
4kw高壓風機尺寸圖:

更多資料請聯系我們索取0769-22335055