2LG310 550W高壓風機
獅歌高壓風機特點:
1外形美觀(鋁合金外殼) 2壓力高 3噪音低 4無油無污染 5環保節能 6體積小 重量輕 易于安裝
7無震動 良好穩定的動態平衡 8可連續運轉 使用壽命長 9風冷冷卻 10易維護
11國家專利技術-- 雙側軸承平衡結構設計。
安裝方式:任意安裝方式
7無震動 良好穩定的動態平衡 8可連續運轉 使用壽命長 9風冷冷卻 10易維護
11國家專利技術-- 雙側軸承平衡結構設計。
安裝方式:任意安裝方式
2LG310單段式風機詳細參數:
型號 |
頻率 HZ |
額定 功率 KW |
輸出電壓 V |
額定電流 A |
最大排吸 氣量m3/h |
額定吸 入壓力mbar |
額定排 氣壓力mbar |
噪音 dB(A) |
重量 kg |
2LG310-7AA01 | 50 | 0.55 | 230 | 3.7 | 100 | -120 | 120 | 55 | 13 |
60 | 0.62 | 230 | 4.5 | 120 | -130 | 150 | 57 | ||
2LG310-7AA11 | 50 | 0.7 | 230 | 4.8 | 100 | -150 | 150 | 55 | 14 |
60 | 0.8 | 230 | 4.1 | 120 | -150 | 160 | 57 | ||
2LG310-7AH06 | 50 | 0.55 |
200-240△ 345-415Y |
2.8/1.6 | 100 | -110 | 120 | 55 | 11 |
60 | 0.63 |
220-275△ 380-480Y |
3.0/1.7 | 120 | -110 | 120 | 57 | ||
2LG310-7AH16 | 50 | 0.75 |
200-240△ 345-415Y |
3.8/2.2 | 100 | -150 | 150 | 55 | 12 |
60 | 0.83 |
220-275△ 380-480Y |
3.8/2.2 | 120 | -150 | 190 | 57 |
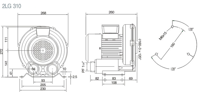
0.55kw高壓風機尺寸圖:

獅歌高壓風機是由首普國際機電有限公司是專業生產銷售,通過SGS認證和CE認證,質量和安全有保障。價格有優勢,交貨快。
獅歌高壓風機應用于塑膠機械,印刷機械,塑料機械,灌裝機械,包裝機械,中央供料系統,切割系統,PCB設備,電鍍生產線,照相制版,電器設備,醫療設備,各式燃燒機,水產養殖業等等。
產品質量保修一年,歡迎大家來電資詢獅歌高壓風機各種規格價格。
— — 獅歌風機,服務熱線:400-699-3869